MZ31PTC Thermistor
- Description: MZ31PTC thermistor for a variety of fluorescent lamp ballasts, electronic energy-saving lamps, the do not have to change lines, will be directly PTCR jumper tubes at both ends of the resonant capacitor, can be turned into electronic ballasts, energy-saving lamp starter hardware for pre - hot start, extended lamp life.
MZ31PTC Thermistor
(General-type delayed start)
◆Features:
Small size
High voltage (800 ~ 1000VAC more)
Long life (more than 10,000 power switch)
Power of small
◆Applications:
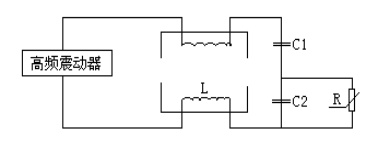
MZ31PTC thermistor for a variety of fluorescent lamp ballasts, electronic energy-saving lamps, the do not have to change lines, will be directly PTCR jumper tubes at both ends of the resonant capacitor, can be turned into electronic ballasts, energy-saving lamp starter hardware for pre - hot start, extended lamp life. Icons such as job circuit: connect the switch, R status in the ambient temperature, its resistance value much lower than the C2 value, current through C1, R form a loop so that filament preheating, after 0.4-2 second after, R self-heating temperature High Curie temperature reaches more than status, and its resistance is much larger than C2 resistor value, current through C1, C2 form a LC resonant circuit lead, resulting in high-pressure lamp lit.

◆Dimensions:
◆Product Coding/ How to Order:

①FACTORY Code
② PTC Thermistor
③ Part N0:
2-- Over-Current Protection Series:
21—Coating Type;22—Disk Type;23—Plastics Type
3-- start-up delay Series:
31--conventional type;32—Complex Intelligent Type
7-- degaussing in CRT of Color TV / Monitor Series:
71—Leading Type;
72--segmental shell Type(Single-element / 2Pin);
73--segmental shell Type(Double-element / 3Pin)
④Share of Leads:S--Straight;A--Axis Formed;N--In-Forming
⑤Disk Diameter:03--3mm;04--4mm;12--12mm
⑥Curie Temperture:
L--50℃;V--60℃ ;M--75℃&80℃;K--90℃;N--100℃ Q--110℃;P--120℃;X--130℃;R--140℃;S--150℃
⑦Resistance of Zero-Rated Power:
221-- 220Ω;472--4700Ω;R5--0.5Ω;4R7--4.7Ω;9R0--9.0Ω;180--18Ω
⑧Tolerance of Rated Resistance:
J--±5% ;K-- ±10%;L --±15% ;M--±20%;V--±25%;N--±30%
⑨Withstanding Voltage:
800--800Vac;600--600Vac;270--270Vac
⑩Packing Type:B--Bulk;C—compilation
◆Technical Parameters:
N0 |
Part No |
Rated zero Power resistance Rn(Ω) |
Withstanding Voltage |
Max. W.C Imax (mA) |
Switching temperature (℃) |
Dimensions (mm) |
||
Dmax |
Tmax |
d |
||||||
1 |
MZ 31S04L68RN360B |
68±30% |
360 |
200 |
50±7 |
4.5 |
5.5 |
0.5 |
2 |
MZ 31S04L101N400B |
100±30% |
400 |
|||||
3 |
MZ 31S04L151N400B |
150±30% |
400 |
|||||
4 |
MZ 31S04L221N500B |
220±30% |
500 |
|||||
5 |
MZ 31S04L331N600B |
330±30% |
600 |
|||||
6 |
MZ 31S04L471N600B |
470±30% |
600 |
|||||
7 |
MZ 31S04L681N600B |
680±30% |
600 |
|||||
8 |
MZ 31S04L102N600B |
1000±30% |
600 |
|||||
9 |
MZ 31S04L152N600B |
1500±30% |
600 |
|||||
10 |
MZ 31S04L222N600B |
2200±30% |
600 |
100 |
||||
11 |
MZ 31S04L332N600B |
3200±30% |
600 |
70 |
||||
12 |
MZ 31S04L472N600B |
4700±30% |
600 |
50 |
||||
13 |
MZ 31S04M68RN360B |
68±30% |
360 |
200 |
75±7 |
|||
14 |
MZ 31S04 M101N400B |
100±30% |
400 |
|||||
15 |
MZ 31S04M151N400B |
150±30% |
400 |
|||||
16 |
MZ 31S04M221N500B |
220±30% |
500 |
|||||
17 |
MZ 31S04M331N600B |
330±30% |
500 |
|||||
18 |
MZ 31S04M471N600B |
470±30% |
600 |
|||||
19 |
MZ 31S04M681N600B |
680±30% |
600 |
|||||
20 |
MZ 31S04M102N600B |
1000±30% |
600 |
|||||
21 |
MZ 31S04M152N600B |
1500±30% |
600 |
100 |
||||
22 |
MZ 31S04M222N600B |
2200±30% |
600 |
|||||
23 |
MZ 31S04M332N600B |
3200±30% |
600 |
70 |
||||
24 |
MZ 31S04M472N600B |
4700±30% |
600 |
50 |
||||
25 |
MZ 31S04N68RN360B |
68±30% |
360 |
200 |
100±7 |
|||
26 |
MZ 31S04N101N400B |
100±30% |
400 |
|||||
27 |
MZ 31S04N151N400B |
150±30% |
400 |
|||||
28 |
MZ 31S04N221N400B |
220±30% |
400 |
|||||
29 |
MZ 31S04N331N500B |
330±30% |
500 |
|||||
30 |
MZ 31S04N471N500B |
470±30% |
500 |
|||||
31 |
MZ 31S04N681N600B |
680±30% |
600 |
|||||
32 |
MZ 31S04N102N600B |
1000±30% |
600 |
|||||
33 |
MZ 31S04N152N600B |
1500±30% |
600 |
100 |
||||
34 |
MZ 31S04P68RN360B |
68±30% |
360 |
200 |
120±7 |
|||
35 |
MZ 31S04P101N400B |
100±30% |
400 |
|||||
36 |
MZ 31S04P151N400B |
150±30% |
400 |
|||||
37 |
MZ 31S04P221N400B |
220±30% |
400 |
|||||
38 |
MZ 31S04P331N500B |
330±30% |
500 |
|||||
39 |
MZ 31S04P471N500B |
470±30% |
500 |
|||||
40 |
MZ 31S04P681N600B |
680±30% |
600 |
N0 |
Part No |
Rated zero Power resistance Rn(Ω) |
Withstanding Voltage |
Max. W.C Imax (mA) |
Switching temperature (℃) |
Dimensions (mm) |
||
Dmax |
Tmax |
d |
||||||
41 |
MZ 31S06L68RN420B |
68±30% |
420 |
400 |
50±7 |
6.5 |
5.5 |
0.6 |
42 |
MZ 31S06L101N420B |
100±30% |
420 |
|||||
43 |
MZ 31S06L151N500B |
150±30% |
500 |
|||||
44 |
MZ 31S06L221N500B |
220±30% |
500 |
|||||
45 |
MZ 31S06L331N600B |
330±30% |
600 |
|||||
46 |
MZ 31S06L471N600B |
470±30% |
600 |
|||||
47 |
MZ 31S06L681N600B |
680±30% |
600 |
300 |
||||
48 |
MZ 31S06L102N600B |
1000±30% |
600 |
|||||
49 |
MZ 31S06L152N600B |
1500±30% |
600 |
150 |
||||
50 |
MZ 31S06L222N600B |
2200±30% |
600 |
100 |
||||
51 |
MZ 31S06M68RN420B |
68±30% |
420 |
400 |
75±7 |
|||
52 |
MZ 31S06M101N420B |
100±30% |
420 |
|||||
53 |
MZ 31S06M151N500B |
150±30% |
500 |
|||||
54 |
MZ 31S06M221N500B |
220±30% |
500 |
|||||
55 |
MZ 31S06M331N600B |
330±30% |
600 |
|||||
56 |
MZ 31S06M471N600B |
470±30% |
600 |
|||||
57 |
MZ 31S06M681N600B |
680±30% |
600 |
300 |
||||
58 |
MZ 31S06M102N600B |
1000±30% |
600 |
|||||
59 |
MZ 31S06M152N600B |
1500±30% |
600 |
150 |
||||
60 |
MZ 31S06M222N600B |
2200±30% |
600 |
100 |
||||
61 |
MZ 31S06N68RN400B |
68±30% |
400 |
400 |
100±7 |
|||
62 |
MZ 31S06N101N400B |
100±30% |
400 |
|||||
63 |
MZ 31S06N151N400B |
150±30% |
400 |
|||||
64 |
MZ 31S06N221N500B |
220±30% |
500 |
|||||
65 |
MZ 31S06N331N600B |
330±30% |
600 |
|||||
66 |
MZ 31S06N471N600B |
470±30% |
600 |
|||||
67 |
MZ 31S06N681N600B |
680±30% |
600 |
300 |
||||
68 |
MZ 31S06N102N600B |
1000±30% |
600 |
|||||
69 |
MZ 31S06P68RN400B |
68±30% |
400 |
400 |
120±7 |
|||
70 |
MZ 31S06P101N400B |
100±30% |
400 |
|||||
71 |
MZ 31S06P151N400B |
150±30% |
400 |
|||||
72 |
MZ 31S06P221N500B |
220±30% |
500 |
|||||
73 |
MZ 31S06P331N600B |
330±30% |
600 |
|||||
74 |
MZ 31S06P471N600B |
470±30% |
600 |
N0 |
Part No |
Rated zero Power resistance Rn(Ω) |
Withstanding Voltage |
Max. W.C Imax (mA) |
Switching temperature (℃) |
Dimensions (mm) |
||
Dmax |
Tmax |
d |
||||||
75 |
MZ 31S08L68RN400B |
68±30% |
400 |
800 |
50±7 |
8.5 |
5.5 |
0.6 |
76 |
MZ 31S08L101N500B |
100±30% |
500 |
|||||
77 |
MZ 31S08L151N500B |
150±30% |
500 |
|||||
78 |
MZ 31S08L221N600B |
220±30% |
600 |
|||||
79 |
MZ 31S08L331N600B |
330±30% |
600 |
600 |
||||
80 |
MZ 31S08L471N600B |
470±30% |
600 |
450 |
||||
81 |
MZ 31S08L681N600B |
680±30% |
600 |
300 |
||||
82 |
MZ 31S08L102N600B |
1000±30% |
600 |
200 |
||||
83 |
MZ 31S08K68RN400B |
68±30% |
400 |
800 |
90±7 |
|||
84 |
MZ 31S08K101N500B |
100±30% |
500 |
|||||
85 |
MZ 31S08K151N500B |
150±30% |
500 |
|||||
86 |
MZ 31S08K221N600B |
220±30% |
600 |
|||||
87 |
MZ 31S08K331N600B |
330±30% |
600 |
600 |
||||
88 |
MZ 31S08K471N600B |
470±30% |
600 |
450 |
||||
89 |
MZ 31S08K681N600B |
680±30% |
600 |
300 |
||||
90 |
MZ 31S08K102N600B |
1000±30% |
600 |
200 |
||||
91 |
MZ 31S08N68RN400B |
68±30% |
400 |
800 |
100±7 |
|||
92 |
MZ 31S08N101N500B |
100±30% |
500 |
|||||
93 |
MZ 31S08N151N500B |
150±30% |
500 |
|||||
94 |
MZ 31S08N221N600B |
220±30% |
600 |
|||||
95 |
MZ 31S08N331N600B |
330±30% |
600 |
600 |
||||
96 |
MZ 31S08N471N600B |
470±30% |
600 |
450 |
||||
97 |
MZ 31S08N681N600B |
680±30% |
600 |
300 |
||||
98 |
MZ 31S08N102N600B |
1000±30% |
600 |
200 |
☆ Designed according to customers request special customized specifications Product。